MBF-50U24-M25-L

MBF-50U24-M25-L
MBF-50U24-M25-L

Brake, 摩擦, Metric Brake, MBF系列-50, 125 毫米 Outside Diameter, 25 毫米 Bore, 24 Vdc, 45 Nm 靜態力矩, Long Hub


  • 這些裝置適用于小批量、大批量和高批量應用。
  • 零側隙設計
  • 靜態或動態嚙合
  • 安裝簡單
  • 高效節能
  • 經濟成本
  • 可用“現狀”或定制
  • RoHS認證

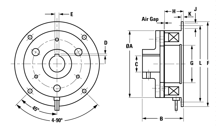
Dimensions

dimensions
尺寸價值
[A]125 毫米
[B]61.3 毫米
[C] Hub ID Ø, Min/Max25 毫米 
[D] 最大值3 mm 
[E] 最大值8 mm 
[F]150 毫米
[G]62 毫米
[H]24 毫米
[J]7 毫米
[K]3.6 毫米
[L]137 毫米
[N]49 毫米

Specifications

Specifications價值
(CB) [A] ODLong Hub 
(CB) [A] ODHolding 
(CB) [A] ODBrake 
(CB) [A] OD50 
Voltage24 Vdc 
Weight2 kg
材質鋼  

Performance

Performance價值
靜態力矩45 Nm

Get Quote

*Please fill out the information below so we can best assist you:

您想定期收到湯姆森電子郵件更新,包括應用故事,在線培訓的機會,新產品信息和鏈接在線設計工具。