CS-22B24-E05-E05
Can't find what you're looking for? Go to the Product Selector
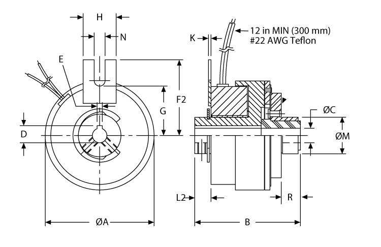
Clutch, 摩擦, Shaft Mounted Clutch, CS系列-22, 2.26 英寸 Outside Diameter, 0.3125 英寸 Bore, 24 Vdc, 40 in-lbs 靜態力矩
- 電磁離合器提供了電機與負載間可電控切換的高效連接。離合器被用于通過滑輪、齒輪或帶輪連接兩個平行軸。同時防轉片或法蘭可防止現場(電磁)組件旋轉,轉子和電樞組件被安裝在單個軸上,轉子被固定在軸上。
- 電樞采用軸承安裝,可以自由旋轉。當線圈通電時,電樞接合轉子的摩擦表面,從而驅動負載。
