327-12-018
Can't find what you're looking for? Go to the Product Selector
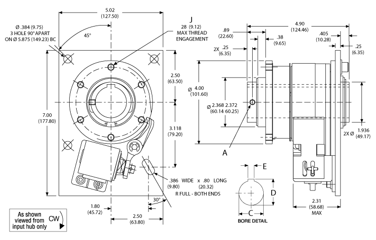
Clutch/Brake, CB7SUPERCW115AC1.50B2STAO, 扭簧, Solenoid Operated, Long Life, Super CB-7, CW Rotation, 輪轂輸入, 1.5005 / 1.5025 英寸 Bore, 2 Stop, 115 Vac, 1500 in-lbs 靜態力矩, Anti-overrun Spring
- Super CB系列離合器和電磁制動器組合通過連續的交替電源,可精確地開啟、停止負載驅動。
- CB離合器可在單相交流或直流脈沖下,轉速最高達到750 RPM(取決于尺寸)時在±½°范圍內(非累積)停止負載
- 可調節控制止動環提供簡單和精確的輸出停止位置設定
- Super CB單元可在電磁線圈關閉時鎖定兩個方向的負載,因此可消除負載超程或欠程
- 防過載功能可防止輸出運行速度大于輸入
- 滾子軸承無需磨損調節
- 最快可在3毫秒內施加負載,并在1.5毫秒內停止負載
- 直接從標準CB系列改造
- RoHS認證
