102-10-191

102-10-191
102-10-191

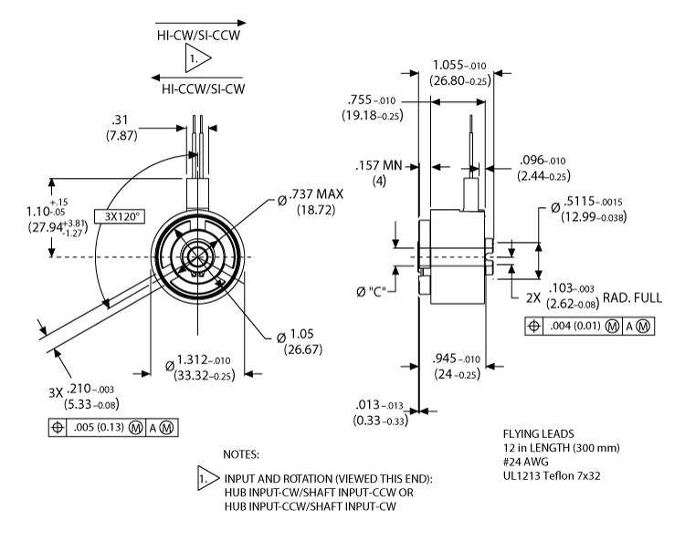
Clutch, DL-33HICW/SICCW12DC-LEADS8MM PIN DR, 扭簧, DuraLIFE™ Clutch, DuraLIFE™,扭簧離合器-33, 懸空引線, 輪轂輸入 CW / 軸輸入 CCW Rotation, 輪轂輸入/軸輸入, 8.01 / 8.09 毫米 Bore, 12 Vdc, 30 in-lbs 靜態力矩, Flying Leads


  • DuraLIFE系列離合器(DL)是機電式扭簧離合器,它結合了高扭矩、高可靠性和高加速度的特性,并將其集成為一個小型組件,成本極具競爭力。該組件有兩種配置可選:接線柱式或飛腳式。
  • 扭簧技術能夠實現非??斓呢撦d響應,速度最高可小于3毫秒(在彈簧收縮后,取決于RPM)
  • DL-33是辦公自動化應用(如打印機和復印機)中使用的高成本離合器的即插即用型替代方案。
  • 長使用壽命和可靠性能使得DL-33成為許多包裝和汽車應用的理想離合器。
  • RoHS認證

Dimensions

dimensions
尺寸價值
[C] Hub ID Ø, Min/Max8.01 / 8.09 毫米 

Specifications

Specifications價值
(CB) [A] OD輪轂輸入/軸輸入 
(CB) [A] ODStarting 
(CB) [A] ODClutch 
(CB) [A] ODFlying Leads 
(CB) [A] OD33 
Voltage12 Vdc 
Weight0.1 kg
旋轉方向輪轂輸入 CW / 軸輸入 CCW 
選項懸空引線 

Performance

Performance價值
RPM, Max1200 轉每分
靜態力矩30 in-lbs
靜態力矩0.016 lb-in²

Get Quote

*Please fill out the information below so we can best assist you:

您想定期收到湯姆森電子郵件更新,包括應用故事,在線培訓的機會,新產品信息和鏈接在線設計工具。